Один мой старый знакомый, назовем его НВ (упоминался в публикациях «Система автономного электроснабжения» ссылка и «Стабилизатор сети 230 вольт» ссылка ), просмотрел мою статью «Необычная светодиодная лампочка-фонарик» ссылка и захотел «что-то такое-же». Т.е. что бы свет включался и при отсутствии напряжения в сети. Узнав о проблемах, связанных с изготовлением этой игрушки (малый объем корпуса), он принес неисправную лампу-«энергосберегайку» на 105 Вт с достаточно большим корпусом, в который можно много чего поместить.
Да, места в таком корпусе достаточно, можно поместить и сетевой драйвер, и приличный аккумулятор, и преобразователь. Освещать планировалось что-то среднее между сараем и гаражом (хотя для лодки это как-то по другому называется), поэтому вопрос о дизайне не возникал. Источников света – светодиодов - хватает.
Конечно, для начала изготовления правильнее было бы нарисовать (пардон, спроектировать) в каком-нибудь редакторе ПП (печатную плату) и заказать ее (вместе с кучей светодиодов), как положено, с зеленой маской и металлизацией отверстий, дождаться, собрать, исправить вылезшие ошибки и т.д.
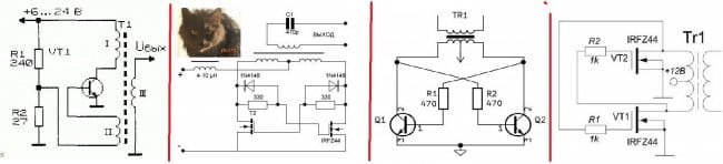
Схема для питания от сети 230 В – простейший конденсаторный драйвер.
А это - первое включение.
Всего поместилось 44 светодиода, включенных последовательно, с суммарным падением напряжения около 148 В. Подбором конденсаторов добились приемлемого нагрева светодиодов, при токе около 45 мА. В светильнике-доноре эти светодиоды работали при токе 90 мА, но там были хорошие условия для охлаждения, они крепились на металлический корпус.
Из-за сравнительно большой емкости фильтрующего конденсатора (100 мкФ) при выключении погасание лампочки происходит медленно и плавно.
А как наша лампочка будет светить при отсутствии напряжения в сети? Нужны аккумулятор, преобразователь и ключ на полевом транзисторе. Вначале планировалось заказать это у «дядюшки Ляо», но слишком долго «ползают» по миру эти посылки. Можем и сами сделать.
Вот примерно как это будет - схема питания от аккумулятора. Схем преобразователя напряжения множество, вот посложнее, с приличными параметрами.
А вот здесь схемки простенькие, но вполне рабочие. Начнем с простого варианта.
Полевики, конечно, хорошо, но при питании от низковольтного источника у них могут быть проблемы в виде излишнего нагрева, поэтому ставим биполярные транзисторы. Примерно так.
Применяем импульсные транзисторы КТ863А с напряжением насыщения 0,3 В. И вот еще остальные компоненты.
Ферритовый «горшок», в отличии от кольца, удобен для намотки. Обрезаем плату и испытываем.
Испытание преобразователя на разных нагрузках.
А вот и общая схема. Забегая вперед – впоследствии она будет скорректирована.
Теперь все это надо поместить в корпус, который, оказывается, не такой уж и большой… ![pardon]()
Используем универсальный крепеж - термоклей.
Проверка работоспособности от аккумулятора.
Лампочка загорается при замыкании контактов на цоколе, на фото это сделано пинцетом. (Очень неудобно одной рукой снимать фото, а другой что-то делать.) Естественно, в реальных условиях это будет происходить по-другому, так, как показано на схеме.
Здесь, на этом рисунке, предполагается, что напряжения в сети нет. Ток управления от плюса аккумулятора будет протекать через расположенную в пристройке лампу накаливания на вход управления, для этого надо включить обе клавиши выключателя.
И вот лампа отправилась на прогонку, на свое рабочее место. Проходит некоторое время. Результат, прямо скажем, неудовлетворительный, и вот почему. В автономном режиме длительность свечения мала, не более часа. Что бы покопаться в ящиках на стеллажах времени хватит, но не более того. Объяснить легко – полудохлый БУ аккумулятор, малоэффективный преобразователь… Далее. Сильный направленный свет при работе от сети – несомненный плюс, но он нужен при работе, а не при ковырянии в ящиках. Вывод – не нужен одинаковый свет при разных работах, при работе в автономе световой поток лучше уменьшить. Слегка изменим общую схему – подключим преобразователь только к половине светодиодов, уменьшается освещенность, и, соответственно, энергопотребление.
Да, конечно, можно поставить не БУ-шный, а новенький аккумулятор или даже два, места внутри хватит, можно применить высокоэффективный преобразователь, но радикальный способ, КМК, это разделение цепей штатного и аварийного освещения. И главный недостаток - сейчас эта лампа, как мощный точечный источник света удовлетворительно освещает только часть помещения, в остальной части создает много резких теней. Подвешенную или, тем более, закрепленную на стене лампу перенаправлять в другую сторону неудобно. Вот это соображение, т.е. удобство пользования, и решило дело - применим практически бестеневую светодиодную ленту с безопасным питанием 12 В, буферную АКБ тоже на 12 В и питающе-зарядное устройство. А лампе применение найдется.
Становитесь автором сайта, публикуйте собственные статьи, описания самоделок с оплатой за текст. Подробнее здесь.






















