Всем ребятам привет!
Но как у нас говорят, если нельзя, но очень хочется, то можно
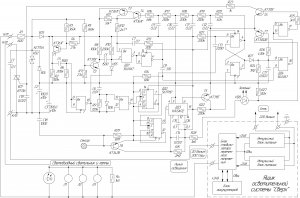
Транзисторы VT1, VT2,усиливают отрицательные и положительные амплитуды основного сигнала осветительной линии.
С коллекторов этих транзисторов VT1, VT2, усиленные сигналы, проходят через дифференцирующие цепочки. На резисторах R8, R9 сформировываются узкие импульсы.
Чтобы объединить эти импульсы в одной полярности, это необходимо для синхронизирующей работы релаксатора, импульс с точки С5,R8, приходит на ножки 1,2, микросхемы DD1А.
С выхода элемента микросхемы, ножка 3,через диод VD6, сигнал смешивается с другим сигналом, в точке С6,R9 и таким образом сформировывается синхронный сигнал для работы релаксатора.
Релаксатор собран на элементах DD1C, DD1D, осциллограммы входные вверху, выходные внизу.
Работу релаксатора я описывал ранее и тут ничего мудрёного нет. Подробное описание в публикации - Диммеры ОСС. Чтобы использовать алгоритм работы микросхемы К145АП2, с применяемой частотой осветительной линии 200 Гц, необходимо подать на вход синхронизации, этой микросхемы, импульсы с частотой 50 Гц. Для получения этой частоты, я сформировал специальный сигнал 200 Гц. Он получился с применением элемента DD1В, путём интегрирования сигнала с выхода DD1A, ножка 3 и задающими время длительности импульса, элементами С7,R10,VD5. С выхода DD1B, ножка 4, специальный сигнал, поступает на счётный вход микросхемы DD2A и обеспечивает надёжную (без срыва счёта) работу микросхемы. DD2A и DD2B, элементы делителя частоты. Вот такая осциллограмма их работы.
Полученную частоту 50 Гц., с ножки 13 элемент DD2B, я подключил на вход синхронизации DD3, ножка 2.
При кратковременном прикосновении к сенсору пальцем руки, транзистор VT3 открывается и микросхема К145АП2, начинает работать. На коллекторе транзистора VT4, появляются импульсы (нижняя осциллограмма)
Эти импульсы подаются на вход DD4A ножка 1 и запускают в работу RS-триггер.
Второй вход триггера DD4B, ножка 5, задействован через дифференцирующую цепь С13,R17 с выхода DD2A ножка 2. Таким образом, на выходах элементов DD4B и DD4A, формируются вот такие импульсы.
При длительном прикосновении к сенсору, импульсы будут изменяться по скважности. Цикл изменения скважности, будет повторяться и останется в неизменном виде лишь при отрыве руки от сенсора. В этом случае, микросхема DD3 запомнит своё состояние, а это значит что параметры сформированной скважности останутся прежними. С выхода DD4B, ножка 4, сигнал поступает на две последовательные интегрирующие цепочки R16,С14 и R18,С15. Один конденсатор этих цепей, подключён к плюсу, другой к минусу. Эти интегрирующие цепи, позволяют сформировать постоянные напряжения на резисторе R19, в прямой зависимости от изменения скважности, на RS-триггере. Таким образом, происходит пропорциональное изменение значений напряжения, на резисторе R19. Эти значения, устанавливают режим работы транзисторов VT5, VT6. Таким образом, меняется общее сопротивление на резисторе R12, с сопротивлением между коллектором и эмиттером VT6. Эта параллельная цепочка, регулирует работу релаксатора. С выхода релаксатора, DD1D ножка 10, через дифференцирующую цепочку C16, R21, выходной импульс, поступает на DD4C ножка 9. С разрешающим высоким уровнем, на ножке 8 (уровень задаётся от триггера, с учётом алгоритма работы DD3), импульс инвертируется и приходит на элемент DD4D, снова инвертируется и через резистор R23, открывает транзистор VT7.
Транзистор открывается на время длительности импульса. И отрицательный потенциал с коллектора VT7 поступает на управляющий электрод симистора. Вот как-то так, в общих чертах, работает вся принципиальная схема. Чтобы убедиться в безупречности функционирования схемы, я собирал её "скелетным"
Из за большого объёма компонентов, монтаж схемы, разместил на двух платах. Платы пришлось устанавливать друг над другом. Нижняя плата крепится к металлическому основанию, а верхняя с помощью стальных соединительных проводников, припаивается к схеме нижней платы.
Сенсор изготавливаю из кнопок. Выламываю всё "ненужное", остаётся только металлическое основание.
С усердием и настойчивостью, у нумизматов
Из обычного выключателя, тоже выбрасываю всё "лишнее". Остаётся только металлическое основание, рамка и лицевая панелька. Съём лицевой панельки осуществляю тонким ножиком, вывожу из фиксации защёлки.
Так выглядит лицевая панелька изнутри.
А вот так всё в сборе.
Предполагаю что китайские товарищи, с интересом изучают все самоделки на нашем сайте. И надеюсь, в скором времени, всё лучшее, сделают ещё лучше, а мы будем у них покупать всё по "скромным" ценам.
Становитесь автором сайта, публикуйте собственные статьи, описания самоделок с оплатой за текст. Подробнее здесь.























