Здравствуйте, друзья Самоделкины! Давненько я не появлялся на сайте (с дачей были большие проблемы, да и болел сильно…). А тут у жены в маленькой гардеробной под Новый Год перегорела энергосберегающая лампа. Долго она проработала, лет 20, наверное (оно и понятно — светом в гардеробной пользуются мало). Вот я и решил в качестве подарка сделать ей светодиодную лампу на основе перегоревшей. Получилось совсем неплохо.
(снято с уменьшенной экспозицией)
Но по порядку.
Что нам понадобится из инструментов:
1. Бормашина с различными насадками.
2. Паяльник.
3. Шуруповёрт.
4. Кусачки, пассатижи, отвёртки разные.
5. Измерительный инструмент.
6. Мультиметр.
Итак, перегоревшая лампочка была известной итальянской фирмы OSRAM (может быть, поэтому она так долго проработала?).
Почему именно такой формы? Потому что ввёртывалась в потолочный встраиваемый светильник, так сказать, "заподлицо" и не мешала пользоваться вещами на верхних полках гардеробной. Сейчас таких ламп не найти, а если и есть где-нибудь, то стоят бешеных денег (когда покупалась лет 20 назад, то стоила в 2,5-3 раза дороже обычных энергосберегаек). Так что только переделывать в нечто подобное.
Аккуратно подцепив перовой отвёрткой крышку, я разобрал лампу: откусил питающие провода, извлёк драйвер, снял колбу (колбу надо сдать на утилизацию, так как там находятся пары ртути) и освободил собственно корпус — он понадобится для моей самоделки.
У меня в загашнике давно лежало алюминиевое кольцо LV276 внешним диаметром 156 мм с напаянными светодиодами 5730 в количестве 24-х штук (от какого светильника, убей Бог, не помню) — вполне подойдёт.
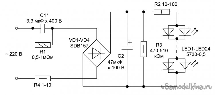
Прозвонка мультиметром светодиодов показала, что они соединены попарно в параллель. Таким образом, мы имеем цепочку из 12 блоков из двух параллельных светодиодов 5730. С ШИМ-драйвером я не стал заморачиваться, а взял типичную схему на гасящем конденсаторе. Схема представлена на рисунке.
Расчёт ведётся по следующей приблизительной формуле:
I =[(Up–U) x C]/ 3.18
где
I — ток через светодиоды в мА
Up — напряжение сети (в нашем случае 220 В);
U — падение напряжения на светодиодах (у нас приблизительно 36 В);
С — ёмкость гасящего конденсатора в мкФ.
При данной ёмкости конденсатора C1 (такой нашёл у себя в закромах) ток через каждый светодиод составит порядка 100 мА, то есть мощность всей лампы получится около 8 Вт, что вполне достаточно для маленькой гардеробной. Ещё один плюс пониженного тока — не потребуется дополнительного радиатора для светодиодов (напомню, что предельный ток через светодиод 5730 составляет 150 мА). Сопротивление R4 можно не ставить — оно служит как бы предохранителем (в корпусе разобранной лампы уже есть свой предохранитель). R2 тоже исключаем. Конденсатор C2 можно было бы взять ёмкостью побольше (тогда были бы меньше пульсации на выходе), но поставил такой, какой нашёл на напряжение больше 60 В (рабочее напряжение сглаживающего конденсатора должно быть в 2-2,5 раза больше, а у нас, мы помним, 36 В). Хотел ещё исключить R3, но оставил, так как он отвечает за величину экспоненты разряда конденсатора и гашения светодиодов. (Помню, спорили с ino53: по экспоненте или по логарифму идёт затухание — по экспоненте, ino53, по экспоненте.) Таким образом, схема упростилась.
Печатную плату нарисовал на миллиметровке, не прибегая к программе Sprint-Layout. Размер платы 20х100 мм (как раз входит в корпус).
А вот чтобы её нарисовать на фольгированном стеклотекстолите, возникли проблемы — мой любимый маркер высох. Он рисовал нитролаком, который не смывался ничем, кроме ацетона.
Пришлось пойти в ближайший Фикс-Прайс и купить просто перманентный маркер (правда, очень дешёвый). Я не знал, как он поведёт себя в хлорном железе, поэтому это был эксперимент.
Эксперимент прошёл успешно. Через 10 минут я вытащил из раствора готовую плату — всё получилось!
Отмыл тонер (по старинке использовал ацетон), просверлил отверстия и залудил места пайки. Всё, плата готова.
Теперь займёмся корпусом. Бормашиной выфрезеровал стойки, которые мешали установки платы в корпус.
Затем также бормашиной с отрезным диском обрезал корпус до размера диаметра кольца 156 мм с небольшим припуском.
Крышку корпуса обрезал по внутреннему диаметру кольца.
Следующим моим шагом было нарастить провода, идущие от цоколя. Аккуратно подпаял удлиняющие провода и заизолировал термоусадкой.
(Обратите внимание: внизу на ближайшем проводе видна прозрачная колбочка предохранителя, на которую находит термоусадка.)
С одной стороны кольцо будет крепиться к корпусу на винт М3, с другой решил поставить пружинный зажим. Нашёл в барахле какую-то пружинную фигню (по-моему, контакт от "земли" в розетке), отрезал от него кусок бормашиной и, согнув буквой "П", установил с одной стороны корпуса. С другой стороны корпуса просверлил отверстие под винт М3. Печатная плата также будет крепиться на винтиках М3.
Затем занялся распайкой печатной платы. Так как корпус SDB157 имеет лапки для установки со стороны печатного монтажа, в первую очередь припаял диодный мост.
Потом распаял оставшиеся детали, ставя их с определённым наклоном, чтобы поместились в корпус.
Закрепил плату в корпусе, предварительно припаяв сетевые провода от цоколя. Подпаял выходные провода драйвера.
Установил светодиодное кольцо и подпаял к нему выходные провода от драйвера.
Осталось только закрыть крышку и проверить лампу.
Проверка показала, что лампа работает хорошо, температура на светодиодном кольце после получаса работы фактически не превысила комнатную (прибором не измерял — кольцо остаётся холодным при тактильном контакте).
Поставил лампу в гардеробную, включил — освещения в гардеробной хватает с лихвой! Судя по спектру, стоят светодиоды с тепловой температурой 4600-5000К.
(снято с уменьшенной экспозицией)


















