Написание данной статьи началось больше года назад. Точнее, написал-то я её сейчас, но делать то, о чём здесь идёт речь, я начал ещё в прошлом году… Впрочем, обо всём по порядку.
Здравствуйте, товарищи Самоделкины!
Совсем скоро наступит долгожданный праздник Новый год, а значит, все уже, скорее всего, украсили свои дома разными игрушками, чтобы создать это самое новогоднее настроение. Ну а мы, люди рукастые, не можем обойтись без украшений, сделанных своими руками. Ну ладно, не буду говорить за всех. Но, по крайней мере, у меня, уже сложилась традиция – к Новому году обязательно делать какую-нибудь праздничную игрушку своими руками. А так как радиоэлектроника моё любимое занятие с детства, то и игрушки у меня в основном все светящиеся и мигающие.
Прошлый год не стал исключением. Захотелось мне тогда сделать что-нибудь музыкальное, потому как меломан я заядлый. Но какую-нибудь колонку своими руками собирать – во-первых, дорого, если хочется сделать не абы что, а что-то качественное, а во-вторых, особенно-то и незачем. И вот подумал я, подумал, и решил соорудить что-то СВЕТОмузыкальное – чтобы музыка играла, а игрушка мигала ей в такт.
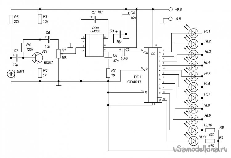
Поискав в интернете, я нашёл подходящую схему на известной ИМС CD4017 (или её отечественном аналоге К561ИЕ8).
Кроме неё для сборки понадобятся следующие детали – микросхема усилителя LM386, электретный микрофон, транзистор BC547, конденсаторы – пять штук на 10 мкФ, по одному на 100 мкФ и 47 нФ, резисторы – два по 470 Ом, по одному на 10 Ом, 1 КОм, 10 КОм, 27 КОм, один переменный на 10 КОм, ну и сами светодиоды, конечно же, 11 штук.
В качестве внешнего вида печатной платы, я решил взять новогодний ёлочный «шарик», примеченный когда-то на просторах Алиэкспресса.

Схема в целом несложная, поэтому я сразу же приступил к созданию разводки.
После создания разводки была вытравлена печатная плата, в ней просверлены отверстия.
Правда текстолит сам по себе выглядит не особенно-то и празднично. Понятно, что светодиоды будут мигать, будет красиво, но схема ведь не будет работать постоянно, и большую часть времени будет просто висеть на ёлке, серая и мрачная. В общем, решил я это дело исправить с помощью паяльной маски, с которой я до этого никогда не работал. Ну, надо же, думаю, когда-то начинать.
И, как видно, не особо-то у меня вышло… Где-то покрытие получилось неровным, где-то вообще облупилось. Ещё и через отверстия смесь на обратную сторону платы попала, благо, что растворителем её оттуда получилось убрать. В общем, страх и ужас. Но… как говорится, первый блин комом, ничего не попишешь. Если издалека и без очков – то даже симпатично.
Дальше оставалось только припаять компоненты на плату и всё, игрушка готова.
Но сам световой эффект меня не особо понравился. В голове он представлялся более красивым. А в реальности – да, бегает огонёк, да, в такт музыке. Но всё равно как-то оно… В общем, не понравилось.
[media=https://youtu.be/ktdrXDTIBQs]
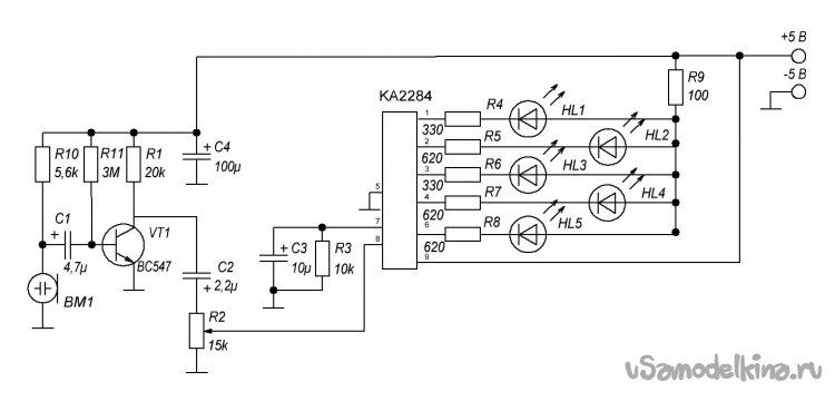
Тогда я решил поискать ещё. И, на том же сайте, в той же статье, нашёл ещё одну светомузыкальную схему. Она была построена на ИМС КА2284, и светодиоды в ней загорались по следующему принципу – чем громче звук, тем больше светодиодов светится. Вполне себе аудио-визуализатор – простенький, но рабочий.
Но так как новогодние праздники к тому моменту уже подходили к концу, эту игрушку было решено отложить до следующего Нового года.
За это время были найдены все нужные детали (в частности, микросхема – пришлось заказывать в Китае, потому что в радиомагазинах города таких не нашлось) и сделана разводка платы (так как схема сама по себе проще – за счёт того, что использован менее чувствительный усилитель на одном транзисторе, иначе первый светодиод светился бы постоянно – размеры платы так же удалось сократить, с 8,5 до 6 сантиметров в диаметре).
Далее следовала сборка – травление платы:
И покраска. Вот с этим мне прям не везёт! Вместо паяльной маски в этот раз я решил использовать обычный лак для ногтей синего цвета. В целом, хоть слой и получился слегка неровным, что видно, если разглядывать плату на просвет, покрытие получилось довольно симпатичным. Но вот дёрнул меня чёрт сделать шарик «более весёлым» и нарисовать на нём снежинки! У китайцев на конструкторе, вон, разрисованное, а я что, хуже что ли? В общем, лаком эти художества получились ну очень не очень… А чтобы их стереть, надо было бы убирать всё покрытие целиком, поэтому уже оставил как есть.
После сверлим отверстия и лудим дорожки.
И запаиваем детали. Готово!
Тут уже эффект, на мой субъективный взгляд, выглядит поинтереснее.
[media=https://youtu.be/vGBncYbqlzE]
Детали старался использовать по максимуму советские – есть в них что-то такое, эдакое, повеселее они смотрятся, чем современные)
Ещё я добавил в оба шарика питание от аккумулятора – припаял модуль контроля заряда и повышающий модуль и прихватил всё это дело термоклеем. Да, не особо аккуратно… Зато не надо тянуть кабель питания, или думать, как закрепить на плату Крону. Да и не видно с обратной стороны всё равно.
Остаётся только повязать ленточку для красоты, повязать петельку, чтобы шарики можно было повесить на ёлку, включить какую-нибудь музыку и наслаждаться импровизированной новогодней дискотекой)
Всех с праздниками!

















