Если у Вас осталась старая материнская плата, не стоит ее сразу выбрасывать. Можно сделать весьма полезную вещь, которая может пригодится каждому. Мне надоело постоянно переключаться между наушниками и колонками (приходилось лезть и подключать к задней панели системного блока, т.к. передняя панель не всегда работает должным образом, а звук пропущенный через усилитель колонок (если имеется разъем) получается не таким чистым, как если он шел бы напрямую с ПК. К тому же постоянное переключение на разъеме постепенно расшатывает его. Терпение лопнуло и пришла пора сделать переключатель. Идею подал друг и коллега по работе, но его прототип был не совсем удобен.
Используемые материалы
1. Гнезда Jack 3.5
2.Корпус от зарядного устройства.
3. Переключатеть двойной на 3 позиции.
4. Тонкие провода.для распайки.
5. Провод Jack 3.5.
6. Магнит (для крепления с системному блоку)
7. Трубка термоусадочная.
Материалы.
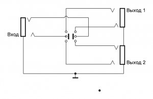
Выпаял стойку с разъемами Jack 3.5. К левому и правому каналу каждого разъема припаял провода, минус не трогаем – он общий для всех и пробрасывается Jack-ами. Выведенные провода распаял на треххпозиционный переключатель с 6 выводами так, что среднее положение выключает систему – праве, левое соответственно – левый выход и правый. Места пайки изолировал термоусадочной трубкой.
Расположение деталей.
Можно использовать и другой переключатель без среднего положения. Он будет просто переключать без положения «выкл». Это по вкусу. Итого стоимость установки почти нулевая, а польза огромная.
Еще у меня завалялись гнезда RCA (тюльпан), туда же вывел переходник на jack 3.5, так как место еще позволяет. Теперь дочка играет в Dendy, подключенный к современному телевизору
С гнездами RCA.
Еще один вариант исполнения.
Схему, хоть она и проста, добрые люди нарисовали, спасибо!
Становитесь автором сайта, публикуйте собственные статьи, описания самоделок с оплатой за текст. Подробнее здесь.








