Написать этот материал меня подтолкнула статья «Простой подзарядник для АКБ из старого телевизора», ссылка, у которой набралось рекордное количество комментов – ого, аж 132 на 27.01.2022. Не вдаваясь в суть самой статьи, сделаю маленький обзор простейших блоков питания (БП), к которым, несомненно, относятся и упомянутое зарядное устройство (ЗУ). Но сначала про самое простое виденное мною ЗУ, которым в танковом полку в/ч № непомнюкакой иногда подзаряжали танковые же аккумуляторные батареи (АКБ). Простейшая вещь – лампочка что-то типа ЛОН-220-1000 и выпрямительный диод, который выдерживает сеть 220 (230) В и ток не менее 5 А. Цифру «5» следует понимать так – «примерно», как правило, диод, рассчитанный на 5 А постоянного тока, в импульсе держит намного больше (я не про китайцев!). Теперь про свое ЗУ. Так как тащить тяжеленную АКБ из гаража на 9 этаж лениво (а в гараже холодно), в качестве нагрузки применим КИНАПовскую лампочку 17 В 170 Вт. При 14 В она потребляет около 7…7,5 А, т.е. иммитируем зарядку АКБ 6СТ75 А-часов.
Так где же ЗУ? Вот – выпрямительный диод 2Д203А на радиаторе и (увы!) КИНАПовская же лампочка на 220 В и 750 Вт.
Вариант на другой фото.
Посчитаем. Ток через лампочку 220 В 750 Вт при подключении ее в сеть равен 750/220=3,42 А. Это действующее значение, амплитудное в 1,41 раза больше, т.е. 4,8 А. Но это при полном напряжении сети, а ведь АКБ отнимает от него почти 15 В, более 5%. Значит, ток будет еще меньше и даже мелюзгу типа 6СТ45 можно так заряжать. Можно еще показать, что здесь лампочка работает в режиме, близком к режиму генератора тока, что совсем неплохо. Но пора набросать схемку.
Тихо-тихо! Не надо так громко кричать, схема безусловно опасна, как и все схемы, где есть 230 В. Именно поэтому это не конструкция для повторения, а материал для обдумывания. Повторять эту конструкцию категорически не рекомендуется, хотя при правильном исполнении ничего здесь страшного нет, на АКБ приходят ее родные 14 В. Самое интересное, что многие люди делают ЗУ по таким же схемам (цитата).
Кстати, применение диф. реле, УЗО и т.п. совсем не возбраняется. Упрощенный вариант схемы, из другого источника.

А вот этот еще проще.
Кстати, чайник, утюг и т.п. - ничуть не хуже ламп. И маленькая доработка – дополнительная маломощная лампочка 10…15…25 Вт 220 В на выходе, как индикатор обрыва цепи и наличия опасного напряжения на выходе. При 14 В она не светится. Подразумевается (ну не перерисовывать же схему!) что верхний провод фазный.
Более того, она (лампочка) участвует в десульфатационном цикле, обеспечивая разрядку АКБ тогда, когда не идет зарядка, так что увеличение ее мощности до 40…60…100 Вт вполне оправдано.
Поехали дальше. А зачем нам лампочка и активные потери, перейдем на конденсаторный балласт с его реактивными параметрами. По размерам это будет заметно меньше.
Формула для расчета конденсаторов вот (цитата).
Но есть более удобная схема. (Здесь плюс вольтметра правильнее было бы подключить непосредственно к выходной клемме.)
При подключении конденсаторов в двоичном коде 1-2-4-8 можно набрать любой ток от 1 до 15 А.
Да, серьезное замечание - в отличии от схем с лампочкой схемы с конденсаторами работают только с мостиком!
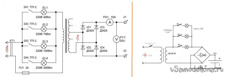
И немного о комбинированных схемах, с трансформатором. Тут простор для фантазии…
Это на лампочках. И, внизу - на конденсаторах.
Теперь чисто трансформаторные схемы.



Что интересно – однополупериодное выпрямление применяется только при кратном (иногда – много…) запасе мощности трансформатора.
И осталось добавить еще немного в общем то полезных вещей…
Все приведенные схемы в свободном доступе. Все, комментируйте...
















