У меня – мультиварка из первых поколений. Работает без нареканий, но имеет очень мало режимов, не позволяет выставлять температуру и прочее, доступное последним моделям. Решил я её несколько доработать, ну, в смысле, хотя бы температуру регулировать по желанию. В частности, меня интересуют точки 35°, 40°, ну и диапазон 65°-75°, соответственно, для расстойки теста, для приготовления йогурта и кефира, для су-вида. Вмешательство в ПО контроллера я априори отверг, по причине того, что не представляю логику его работы в мультиварке с двумя датчиками температуры и с принципами приготовления пищи, созданными дядями из стран, поддерживающих нетрадиционных мужчин. Ещё меня смущала возможность перевести свою личную нормально работающую технику в разряд кирпича. В общем, есть у меня китайский контроллер температуры W1209, для аквариума брал, решил использовать его, характеристики устраивают. Но нужно питание 12 вольт, смущает хлипкое реле (ТЭН, всё таки, 800 Вт, это 4 А при напряжении сети). Да и не хотел я тащить по воздуху сетевые провода. Одним словом, решил попытаться интегрировать термостат в электрическую схему мультиварки. Но так, чтобы она не потеряла свою функциональность. И с минимальными затратами. Вот, такое техническое задание.
Начал я, или, сказать точнее, подтолкнула меня на эксперименты, как ни странно, баночка из-под таблеток. Через неё можно провести термодатчик, Входит в отверстие для парового клапана, как влитая.
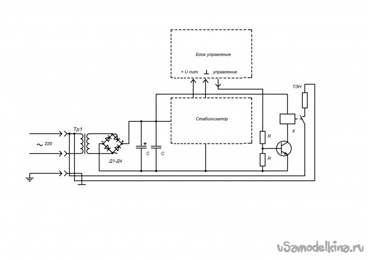
Далее мультиварка была препарирована, и её принципиальная схема изучена с карандашом в руках. Состоит она из двух плат: блока управления и блока питания и коммутации. Блок управления, я к нему даже не полез, соединён с блоком питания тремя проводами – плюс питания, общий и управление исполнительным реле. На плате питания – сетевой трансформатор ватт на десять, выдающий 13 вольт переменки, двухполупериодный выпрямитель со схемой, предположительно, стабилизации. А исполнительное реле стоит в коллекторной цепи n-p-n транзистора, на базу которого через делитель и приходит сигнал управления, соответственно, при отсутствии которого, база через нижний по схеме резистор делителя сидит на общем проводе.
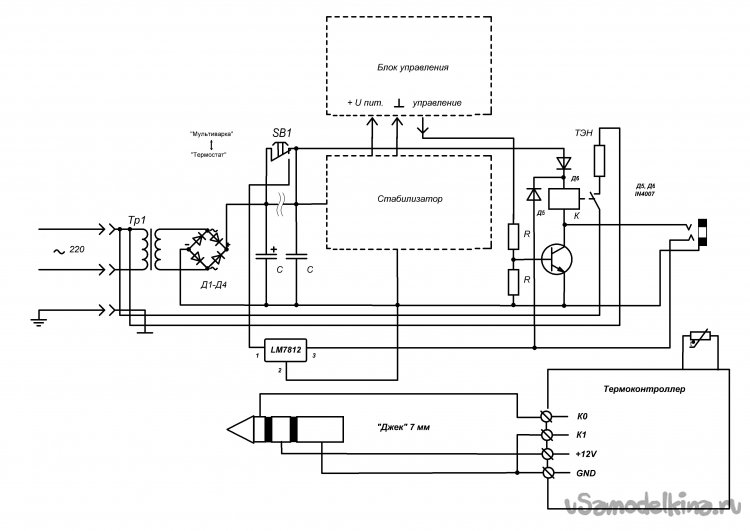
Такая схема построения навела меня на мысль взять для работы термостата питание от самой мультиварки и использовать её же исполнительное реле, не задействуя блок управления. А то, до этого, я всерьёз рассматривал вариант создания для включения-выключения ТЭНа отдельного симисторного ключа. Ну, а так, я внёс в схему небольшие дополнения: перерезал пару дорожек, добавил переключатель, два диода и КРЕНку, у меня под руками были IN4007 и LM7812, я обычно пользую исправные б/у детали из раскуроченной техники. Треть платы пуста, на ней были разведены дорожки для каких-то других модификаций, так что, места для монтажа хватило с избытком. На схеме – разрез сделан между конденсаторами, так было решено из-за рисунка печатного монтажа на конкретной плате. Второй разрез на схеме не показан, - он сделан под диодом Д6.
В результате, в положении переключателя "термостат", питание на блок управления не поступает ни с БП, ни с реле, но зато идёт на КРЕНку. В то же время, при переводе переключателя на "мультиварку", всё работает в штатном режиме. Наружу, через 7-миллиметровый "джек", я вывел питание термостата и завёл общий провод, управляющий реле. Схему термоконтроллера решил не трогать: пустил общий провод через его исполнительные контакты. В таком включении на коллектор исполнительного транзистора от КРЕНки через обмотку реле приходит питание +12 В, но в схему через запертый диод Д6 не проходит. Напряжение 12 В на коллекторе транзистора в момент пуска реле падает до нуля. Его база находится под нулевым потенциалом, он постоянно заперт и ни на что не влияет.
В корпусе мультиварки сделал отверстия для переключателя и разъёма. Все провода провёл по низу основания, подальше от жара, прикрыл лакотканью, прихватил к решёткам вентиляции.
Собрал всё в кучу, провёл испытания, затем поставил на ночь йогурт (в литре стерилизованного молока развёл ложку натурального йогурта) при температуре 40°, результат – отличный. Но! Если кто возжелает рецептом воспользоваться (а то, в магазине йогурт как-то неприлично вырос в цене), примите во внимание, что молоко должно быть в отдельной ёмкости (кастрюльке), а в чашу мультиварки надо налить горячей воды из-под крана, куда и поместить ёмкость, уровни воды и молока должны примерно совпадать. Холодное молоко остудит воду, и процесс пойдёт. Если же налить молоко прямо в чашу, пока оно нагреется до 40°, ТЭН успеет сильно накалить дно, йогуртовым грибкам это не понравится. Кроме того, термостат отработает, как положено, на установленной температуре, но, к несчастью, массивное днище с ТЭНом обладает большой температурной инерцией. Теоретически это понятно, но на практике, при первом испытании по нагреву холодной воды, я испытал небольшое огорчение, когда термостат отключил ТЭН при 40°, а температура воды продолжила ползти вверх и достигла 50°, потом медленно пошла вниз. Наверное, поэтому в мультиварке два штатных термодатчика, причём один из них – в центре днища, и микроконтроллер по одному, только ему известному, алгоритму отрабатывает точный нагрев. Ладно. Съедите йогурт - оставьте одну ложку в качестве закваски для новой порции. То же касается кефира. Я, когда бродил по Арктике на ледоколе, будучи в группе "А" и, реально хватая дозы, имел право на пол-литра молока в день. Ну, право накапливалось, и раз в месяц нам выдавали по полтора десятка литровых упаковок. Так, я, заранее, на берегу, замораживал ложку кефира и, с получением молока, использовал её, как закваску, затем из крайнего кувшина снова ложку замораживал до следующего раза. Кефирным грибкам морозилка – по фигу, йогуртовые ещё не проверял. Но теперь есть повод.
Кстати, о су-виде. Вакууматора у меня нет, считаю его бесполезной тратой денег, ещё и место занимает. А пакетики к нему – так вообще, просто разориться. Наверное, для блондинок. Я беру рукав для запекания, помещаю в него продукт, концы завязываю, как конфету, оставив 10-15 см с каждой стороны, чтобы их можно было загнуть наверх, выше уровня воды в чаше. Перед завязыванием второго конца высасываю из рукава воздух, дабы не плавал у поверхности. Вот и всё.
Дальнейшая работа будет направлена на изготовление корпуса для термостата из оргстекла. Китайцы-то подобное продают, но ждать месяцы и платить деньги за копеечную поделку как-то не комильфо. Тем более, пиндостан заблокировал мне карту, которой я расплачивался. В общем, будем заниматься украшательством.
Становитесь автором сайта, публикуйте собственные статьи, описания самоделок с оплатой за текст. Подробнее здесь.







