Однополосная модуляция (SSB), по сравнению с традиционной амплитудной (АМ) дает целый ряд преимуществ, но требует более сложной и точной (стабильной) аппаратуры и в первую очередь, ее гетеродина – ключевого узла SSB радиоприемника или трансивера. Гетеродин – маломощный перестраиваемый в пределах выбранного диапазона высокочастотный (ВЧ) генератор. В SSB связи, где станции занимают небольшую полосу частот и могут быть расположены весьма плотно, гетеродин для удобства эксплуатации рассчитывают и конструируют с растянутой настройкой внутри узкого стандартного диапазона. Такие приборы принято называть генераторами плавного диапазона (ГПД). Здесь, изготовление простого двух диапазонного ГПД для любительской связной коротковолновой (КВ) аппаратуры на диапазоны 80 м (3,5 МГц) и 40 м (7 МГц) [1].
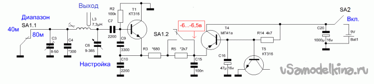
Рис. 2. ГПД для простого приемника прямого преобразования (ППП) работает на частотах вдвое ниже принимаемых и собран на транзисторе Т1 по схеме трехточки с емкостной обратной связью. Работа этой части схемы и назначение элементов – [2]. ГПД дополнен экономичным стабилизатором напряжения на Т4, компенсирующем разряд батареи питания. В качестве стабилитрона применен один из переходов Т5. Секция переключателя SA1.2 замыкает R5 при переходе на диапазон 40 м, выравнивая оптимальное ВЧ напряжение на смесителе ППП в обоих диапазонах.
Что потребовалось для изготовления.
Набор мелкого слесарного инструмента, набор инструментов, приборов и материалов для радиомонтажа, сопутствующие химикаты, мелочи.
К делу.
Первым долгом подобрал в своих закромах критически важные элементы - конденсатор переменной емкости (КПЕ) с воздушным диэлектриком для стабильности частоты гетеродина, керамический подстроечник С3 со старой платы бытового лампового радио, обмоточный провод, каркас катушки, транзисторы.
Фото 3. Самый крупный, редкий и дорогостоящий, по нынешним временам, элемент – КПЕ с воздушным диэлектриком. Не самый лучший вариант – со штампованной стальной рамой и без всяких встроенных верньеров. От старой ламповой СВ/ДВ радиолы невысокого класса. Сдвоенный – здесь задействована только одна из секций. При необходимости можно соединить секции последовательно (подключить схему только к выводам неподвижных пластин) и уйти от скользящего контакта с его «шорохами». Имеет штатные резьбы для крепления в двух положениях – плашмя и стоя (отмечено на фото).
Фото 4. В конструкции использованы стандартные пластиковые каркасы для контурных катушек с ферритовым подстроечником 2.7 х 8…12 мм.
Фото 5. В простом специализированном САПР-е вычертил и сложил основные крупные элементы и убедился, что хватает места на узкой, с выводами, стороне КПЕ. Вычертил плату ГПД с крепежными отверстиями и дырками для выводов от КПЕ, уже вдумчиво разместил элементы. Задействовал и несколько постоянных резисторов-конденсаторов в SMD корпусах 1206. Ряд выводов элементов монтируется условно-навесным способом, без отдельного посадочного места. Для укорочения соединений, словом монтаж эклектический, объемно-печатный.
Изготовление печатной платы (ПП)
Фото 6. По определившимся размерам подобрал и разметил кусочек фольгированного стеклотекстолита, выпилил заготовку ПП. Некрупные платки удобно вырезать лобзиком по дереву.
Фото 7. Выровнял торцы заготовки на кусочке средней крупности наждачки на ровной поверхности.
Фото 8. Распечатал бумажный шаблон для кернения отверстий платки. Для удобства работы сделал и укрупненные виды платки с разных сторон с указанием элементов.
Фото 9. Нахлобучил бумажный шаблон на заготовку со стороны фольги, закрепил бумажным скотчем. Накернил центры будущих отверстий.
Фото 10. Просверлил отверстия на настольном сверлильном станке. Мелкие сверла зажимаю в специальный дополнительный крохотный патрончик-оснастку. Крупным сверлом рассверлил отверстия для креплений и одного из выводов КПЕ.
Фото 11. Разметил и выпилил ювелирным лобзиком прямоугольное окно для плоского контакта КПЕ, примерил заготовку платки к посадочному месту, подогнал отверстия для винтиков круглым надфилем.
Фото 12. Зачистил медный слой заготовки наждачкой нескольких некрупных номеров. Вдоль и поперек. Закончил шлифовку абразивным слоем от губки для мытья посуды.
Фото 13. Нехитрую защитную маску для травления нанес стеклянным рейсфедером. По совету старших товарищей заменил обычный битумный лак на ПФ-115 – работать, по крайней мере простой грубый рисунок, удобнее – не столь стремительно высыхает, хорошо и равномерно растекается, легко удаляется ацетоном после травления. Сохнет на солнышке или в теплом месте столько же.
Фото 14. Простой рисунок и удобная краска почти не потребовали ретуши, в основном, это процарапывание посадочных мест для SMD элементов. Для удобной работы крупную швейную иглу зажал в цанговой ручке. Пришлось намотать на нее подходящей медной проволоки в один слой виток к витку. Широкой мягкой кистью удалял прилипший мусор.
Фото 15. Незащищенные участки меди вытравил в хрестоматийном хлорном железе. При хранении его в герметическом капроновом контейнере небольшие платки удобно травить прямо здесь, не пачкаясь с лишней посудой. Пластиковая решеточка с ручкой – кусок сборника прополиса.
Фото 16. С вытравленной платки краска легко удаляется тампоном из ветоши смоченном ацетоном.
Фото 17. Медные дорожки платы зачистил мелким абразивом и залудил с жидкой канифолью. Впаял несколько SMD элементов.
Фото 18. Зачистил детали, приготовил каплю эпоксидного клея и вклеил контурную катушку.
Собрал плату – проверил, подготовил и установил большую часть элементов.
Фото 19. Почти все радиодетали - б/у, выпаянные из старой аппаратуры. И входной контроль и отбор избавляет от многих неприятностей после. Применял китайский универсальный тестер элементов.
Фото 20. Для выводов катушки впаял несколько нарочитых проволочных стоек, к некоторым из которых монтируются и другие элементы сверху. Выводы катушки укоротил по месту и осторожно зачистил сложенным вдвое кусочком наждачки.
Фото 21. До монтажа элементов ВЧ генератора, собрал и отрегулировал стабилизатор его питания – Т4, Т5 с обвязкой (Рис. 2).
Фото 22. Стрелочкой показан будущий вывод от КПЕ, над ним подготовленные выводы элементов для присоединения.
Фото 23. В основном собранную ПП отмыл от остатков канифольного флюса. Ацетоном с применением старой зубной щетки и в защитных очках.
Фото 24. Подготовил КПЕ – припаял к выводам одной из секций проволочные стойки.
Фото 25. Установил плату на блок КПЕ, закрепил недлинными М3 с невысокими пластиковыми проставками. Укоротил вывод по месту, припал к нему остальные элементы.
Фото 26. Вид на собранный модуль сбоку.
Фото 27. Примененный КПЕ отличается от рекомендуемого схемой, для его подгонки последовательно включен конденсатор, его при настройке пришлось подобрать.
Фото 28. Еще один настроечный конденсатор установлен на стойках, чтобы можно было его менять сверху.
Фото 29. На стойках же впаян временный резистор заменяющий R3, R5. Их подбирают при подключении ГПД к смесителю приемника.
Фото 30. Первое же включение показало работоспособность схемы в обоих диапазонах и близкие к расчетным значения частоты. Настройка ГПД – согласно [2] и трудностей не представила.
Литература.
1. Беленецкий С. Громкоговорящий приемник прямого преобразования на германиевых транзисторах.
2. Поляков В. Т. Казанский И. В. Азбука коротких волн. М., ДОСААФ, 1978 г. Стр. 39…48.
Babay Mazay, июнь, 2023 г.



