Привет. Закрываю тему паяльника на акб. Было интересно и познавательно доводить идею до воплощения в металле и пластике. В итоге получилось то, что получилось.
Особо разглагольствовать не буду. Основное есть в видео.
За качество ролика приношу извинения, я ни разу не режиссер!
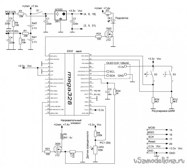
Данная статья содержит ОСНОВНЫЕ данные. Теперь управляет паялом Атмега328, информация отображается на ОЛЕД дисплее. Корпус так же новый и так же распечатан на 3Д принтере.


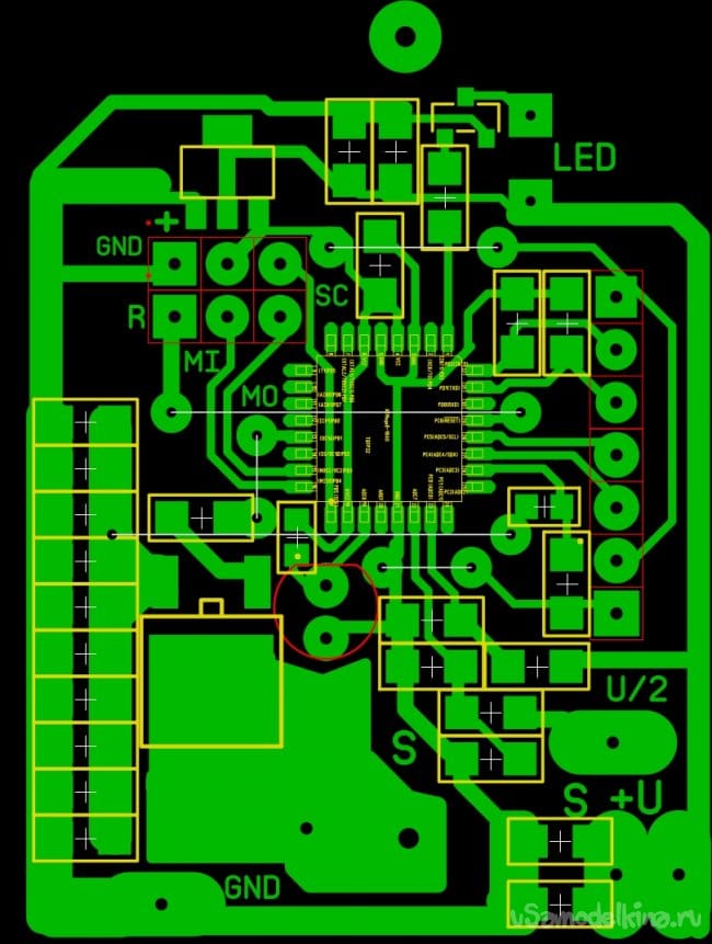
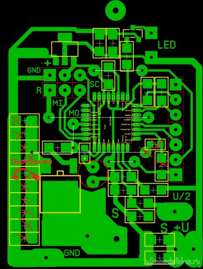
Печатная плата.
Изменений в схеме минимум. В схеме нужно убрать R23, R24 и C3.
Заряжаю акб самодельным зарядным с встроенным драйвером. Разряжаю акб примерно до 3 вольт.
Для прошивки в PonyProg ставим галочки в фьюзах 8МГц, внутренний генератор:
BootLock11
BootLock12
BOOTZ0
BotLevel2
Bodlevel0
OLED дисплей 0.91 128х32 вот такой:

Размер 0.91 дюйм 128 столбцов и 32 строки. СтОит у китайцев 120-150р. Имеет всего 4 контакта, 2-питания и 2-линии передачи данных. Информацию на дисплее четко видно при любом внешнем освещении, чем этот дисплей меня и покорил. Ну ещё и его миниатюрные размеры.
Про жало рассказано в прошлой статье. Полевики можно применить любые, для подсветки на ток до 100мА, для нагревателя больше 2А (лучше 5-50А). То же касается и стабилизатора на 3.3 вольта. Надо только смотреть, что бы распиновка и тип корпуса совпадал.
Вот ссылка на архив с прошивкой Файлы, фото, прошивка
Всем удачи. Искренне ваш puteec_80@mail.ru
Становитесь автором сайта, публикуйте собственные статьи, описания самоделок с оплатой за текст. Подробнее здесь.









