Современного человека со всех сторон ежедневно окружает реклама и чем оптимальнее будет отрегулирован поток, льющейся на нас со всех сторон информации, тем скорее мы сможем относиться к ней как к неизбежному источнику сведений – руководству к действию при совершении покупок или получении определённых услуг. Многие предприниматели уже почувствовали ощутимый эффект от информации, рекламирующей их продукцию и услуги, которая регулярно появляется в СМИ и интернете. Дополнительный эффект может дать «местная» реклама, встречающая клиента на пороге Вашего офиса или магазина. Это может быть краткая (1 … 16 секунд) аудио информация, запускаемая автоматически при открывании входной двери (или двери лифта), и не повторяющаяся чаще установленного Вами отрезка времени, во избежание её надоедания. (Экономика должна быть экономной, а реклама не навязчивой).
Цифровой дозатор рекламы (далее просто ЦДР) – устройство запуска рекламного сообщения и регламентации длительности паузы после него, во время которой повторный запуск рекламы не возможен.
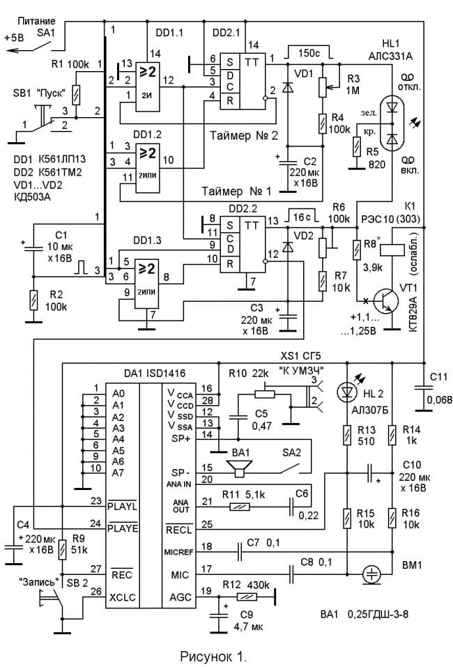
ЦДР (см. рисунок 1) включает по команде источник рекламной информации – цифровой магнитофон, и запрещает повторный запуск рекламного сообщения на время, определяемое таймером №2. Датчиком, обеспечивающим запуск ЦДР, является кнопка SB1 «Пуск». Основная нагрузка ЦДР – цифровой магнитофон – включается по отрицательному перепаду на входе «PLAYE» (вывод 24) DA1. Дополнительная нагрузка ЦДР – различные цветомузыкальные устройства или более мощный УМЗЧ (управляемый, например, по питанию или по входу «MUTE») - может включаться на время равное длительности рекламного сообщения (задаётся таймером №1) - нормально разомкнутыми контактами реле К1 (на рис. 1 не показаны), включёнными в разрыв цепи питания этих устройств.
Для записи рекламных сообщений цифровым магнитофоном следует нажать и удерживать кнопку SB2 «Запись». Запись возможна, пока светится светодиод HL1 (для микросхемы типа ISD1416 в течение 16 секунд). Затем цифровой магнитофон автоматически устанавливается в исходное положение и готов к воспроизведению или (при необходимости) к новой записи. Записывать на цифровой магнитофон можно не менее 100 000 раз, а запись сохраняется до ста лет, даже при полном снятии питания.
При замыкании контактов тумблера SA1 «Питание» через резистор R2 заряжается конденсатор С1. При этом в течение всего времени нарастания напряжения питания, подаваемого с выхода адаптера, на обкладке «–» конденсатора С1 формируется неинвертированный импульс положительной полярности, обеспечивающий установку триггеров DD2.1 и DD2.2 в исходное (нулевое) состояние. Открывание входной двери вызывает размыкание контактов 1 и 3 кнопки SB1 и высокий логический уровень через резистор R1 (подавитель дребезга от контактов кнопки не нужен) поступает на вывод 2 логического элемента DD1.1. Так как у логического элемента DD1.1 вывод 13 подключён к общему проводу, DD1.1 выполняет функцию логического умножения (2И). На его вывод 1 с инвертирующего выхода (вывод 2) триггера DD2.1 подаётся логическая единица, разрешающая прохождение высокого логического уровня с вывода 2 DD1.1 на входы С (выводы 3 и 11) триггеров DD2.1 и DD2.2 соответственно. Триггеры запускаются и на их неинвертирующих выходах (выводы 1 и 13 соответственно) появляются логические единицы. При этом индикатор HL1 начинает светиться жёлто-красным цветом, транзистор VT1 открывается, а реле К1 срабатывает, замыкая цепь питания дополнительной нагрузки. Одновременно с этим отрицательный перепад на инвертирующем выходе (выводе 12) DD2.2, поданный на вход «PLAYE» (вывод 24) DA1, включает цифровой магнитофон DA1 на воспроизведение. Одновибраторы («таймер №1» и «таймер №2») собраны на счётных триггерах DD2.2 и DD2.1 (соответственно) по одинаковым схемам и отличаются только их времязадающими цепями. Поэтому рассмотрим, как работает только таймер № 1. Появление положительного перепада на входе С (вывод 11) элемента DD2.2 перезаписывает информацию (логическую 1) с входа D на прямой выход (вывод 13) триггера. При этом диод VD2 закрыт, а конденсатор С3 медленно начинает заряжаться через резисторы R6 и R7. Когда С3 зарядится до половины напряжения источника питания, на выходе (выводе 8) элемента DD1.3, выполняющего функцию «2ИЛИ», появляется логическая 1. Эта логическая 1, поданная на вход «Reset» (Сброс) – вывод 10 триггера DD2.2, возвращает «взведённый» триггер в исходное состояние. То есть на выводе 13 DD2.2 установится логический 0. Конденсатор С3 быстро разряжается через диод VD2, индикатор HL1 меняет цвет свечения на зелёный, реле К1 отпускает, а цифровой магнитофон так же заканчивает цикл воспроизведения и устанавливается в начальное состояние. При этом таймер №2 собранный на триггере DD2.1 продолжает работать. Уровень логического нуля на выводе 2 триггера DD2.1 продолжает удерживать в закрытом состоянии элемент DD1.1. Элемент DD1.1 выполняет функцию «2И» и логический ноль на его выводе 1 запрещает повторный запуск кнопкой SB1 отработавшего таймера №1 до окончания работы таймера №2.
По окончании работы таймера №2 индикатор HL1, ранее светившийся зелёным цветом, погасает, указывая на то, что время запрета повторного запуска рекламного сообщения истекло и цифровой магнитофон снова включится, если нажать на кнопку SB1.
В качестве цифрового магнитофона применена микросхема ISD1416 - однопрограммное записывающее - воспроизводящее устройство с ПЗУ, сохраняющим во времени записанную информацию даже при выключенном напряжении питания. Объем ПЗУ зависит от примененного типа микросхемы DA1 - две последние цифры в её обозначении указывают на соответствующий объём (в секундах). Приведенная на рисунке 1 микросхема цифрового магнитофона DA1 имеет ПЗУ для записи в течение 16 секунд; ток потребления в режиме выборки кристалла (при записи и воспроизведении) не более 15 мА; потребляемый ток в дежурном режиме - 0,5 мкА.
Порядок работы с ЦДР
1). Включается питание тумблером SA1.
2). Для записи рекламного сообщения микрофон устанавливается на расстоянии 3 … 50 сантиметров от источника звука, нажимается (и удерживается нажатой всё время записи) кнопка SB2 «Запись».
3). В течение необходимого времени (1 … 16 секунд) производится запись. Погасание светодиода HL2 (при удерживаемой кнопке SB2) говорит о том, что время записи истекло.
4). Затем питание можно отключить, чтобы убедиться, что записанное сохраняется при полностью выключенном питании.
5). Для воспроизведения записанного рекламного сообщения, включают питание, кратковременно нажимают кнопку SB1 «Пуск», и прослушивают рекламное сообщение на встроенную головку динамическую BA1. По окончании воспроизведения кратковременно вспыхивает светодиод HL2.
6) Время (30 … 150 секунд), в течение которого невозможен повторный запуск рекламного сообщения, устанавливается по желанию рекламодателя потенциометром R3.
Настройка ЦДР
Подстроечным резистором R6 устанавливают длительность импульса положительной полярности на выходе одновибратора (вывод 13) DD2.2 равную 16 секундам. Это необходимо только для синхронной (с цифровым магнитофоном) работы дополнительных устройств, коммутируемых при помощи реле К1. Цифровой же магнитофон включается и до конца воспроизводит записанное по отрицательному перепаду (а не при наличии низкого уровня) на входе «PLAYE» (вывод 24 DA1). Для работы с внешним УМЗЧ подстроечным резистором R10 устанавливается необходимый для «раскачки» УМЗЧ уровень выходного сигнала цифрового магнитофона. Контрольный динамик BA1 при необходимости отключается тумблером SA2. Максимальное время запрета повторного включения рекламного сообщения можно повысить, увеличив номинал конденсатора С2. После этого желаемое минимальное время запрета повторного включения (30 секунд) можно уточнить резистором R4*, сопротивление которого допустимо уменьшать до 10 килоом. Шкала потенциометра R3 градуется с дискретностью в 30 секунд.
Детали ЦДР
В ЦДР использованы постоянные резисторы типа ОМЛТ 0,125, переменный резистор R3 типа СП-1. R6, R10 - подстроечные СП3-38б, конденсаторы С1, С4, С9, С10 типа К50-35; С2, С3 - К50 – 29 или подобные зарубежного производства; С5 – С8, С11 КМ6 или любые керамические; кнопки SB1, SB2 КМ1-I. Диоды VD1 … VD2 можно заменить любыми кремниевыми, например, КД510, КД520 ... КД522. Реле К1 РЭС10 (303) или РЭС10 - (РС4.529.031-04) с ослаблением пружин или другое, срабатывающее при напряжении не более 3,5 Вольт, и допускающее коммутацию сетевого напряжения. Транзистор VT1 можно заменить подобным составным транзистором КТ972Б(А). Микросхемы DD1, DD2 - серии К561. Цифровой магнитофон DA1 может быть типа ISD1416, или аналогичный (с временем записи-воспроизведения 20 секунд - ISD1420). Двухцветный светодиодный индикатор HL1 допустимо заменить двумя единичными, например, АЛ307Е (жёлтый) и FYL-5013UBC (синий цвет свечения). BA1 – любого типа с импедансом 16 … 50 Ом, например 0,25 ГДШ-2; 0,25 ГДШ-3-8; 1ГДШ-1. Микрофон ВМ1 – электретный, например, NMC. При отсутствии микросхемы К561ЛП13 (три логических элемента «мажоритарность») логические элементы (2И, 2ИЛИ), созданные на её базе, заменяют эквивалентными схемами на диодах и резисторах в соответствии с рисунком 2.
В качестве источника постоянного тока для ЦДР можно применить блок питания, изображённый на рисунке 3. Подойдёт также любой портативный «адаптер», например, встроенный в вилку, обеспечивающий выходное стабилизированное напряжение + 5 Вольт и ток не менее 200 мА. В авторском варианте использован самодельный блок питания, состоящий из широко распространённого трансформатора ТВК-110, применяемого в ламповых телевизорах, диодного моста КЦ405А, оксидного конденсатора фильтра 1000 мкФ × 16В и стабилизатора напряжения [1]. Во вторичной обмотке ТВК-110, имеющей выходное напряжение ~ 14 Вольт и рассчитанной на ток до 1 Ампера, сделан отвод для получения напряжения ~ 7,5 … ~ 10 Вольт. Разбирать трансформатор для этого не потребовалось. 14-вольтовая обмотка намотана поверх остальных, поэтому достаточно слегка надрезать защитную пропитанную бумажную оболочку и пинцетом «выщипнуть» сбоку крайний виток из второго или третьего (считая сверху) слоя обмотки. К выбранному витку (из двух – трёх «выщипнутых») аккуратно, чтобы не сделать межвитковых замыканий, припаивается отвод из монтажного многожильного провода. (Лаковая изоляция обмоточного провода счищается скальпелем на длину 5 … 10 мм, провод смачивается жидкой канифолью, облуживается и только затем производится пайка).
Желая использовать дополнительный УМЗЧ и, при этом, обойтись одним общим источником питания +5 Вольт, автор для работы с ЦДР применил ранее изготовленный УМЗЧ, изображённый на рисунке 4.
Основные параметры УМЗЧ при работе в диапазоне рабочих напряжений +5 … +15 Вольт приведены в таблице 1. В принципе этот УМЗЧ может работать при напряжении + 25В, отдавая в четырёхомную нагрузку мощность 40 Вт.
Рисунки 5, 6, 7.
Большинство элементов ЦДР установлены на ПП (печатной плате) (рисунки 5, 6, 7) из двусторонне фольгированного стеклотекстолита размером 69 х 61 х 2 мм. Исключение составляет реле К1, которое устанавливают у розетки, предназначенной для подключения дополнительной (~ 230 Вольт) коммутируемой нагрузки.
Длинные провода коммутируемой сети ~ 230 в, проходящие вблизи элементов ПП, могут давать наводки в цепь микрофонного усилителя ЦДР. Кроме того, установка реле К1 вне ПП позволяет «отвязаться» от рисунка ПП и применить в качестве К1 реле других типов. На ПП устанавливается 1 проволочная перемычка в изоляции, 3 перемычки – имитаторы металлизированных отверстий, и в шести точках выводы радиоэлектронных компонентов пропаиваются с обеих сторон ПП. Конструктивно ПП крепится (через слой электрокартона) четырьмя винтами М2,5 к стенке корпуса, обклеенной листом медной фольги размером 69 х 61 мм. Фольга служит экраном и электрически соединяется с общим проводом ЦДР. Отводы от датчика - кнопки SB1 выполнены витой парой или экранированным проводом для исключения ложных включений ЦДР.
При отсутствии необходимости коммутировать дополнительную нагрузку элементы К1, R8, VT1 можно исключить.
Подобный миниатюрный (20 х 15 мм.) 6-секундный «записатор» производства КНР на микросборке LXB18 имеет гораздо более худшее качество записи. Его вы можете посмотреть на 19-секундном видео другого радиолюбителя.
Уважаемые читатели!
Предлагаем Вашему вниманию гуманитарный блок к статье ЦДР. Первая часть - разгадать загадки:
Лампочка горела, морально устарела. На смену ей придёт деталь ……… (в ритм, хором).
Если загадка не поддаётся, прочитайте подсказку:
Маленький гномик - светящийся домик. Ключом обладает; что открыть им - не знает.
Разгадав загадки, следует ввести ответ к загадкам в строку «Пароль» файла «TsDR_4work». Подсказки: 1). Пароль пишите с большой буквы. 2). В конце пароля поставьте точку. 3). Пароль имеет всего 10 печатных знаков. Введя пароль, вы сможете, получить чертёж двухсторонней ПП, и в качестве бонуса готовые к термопереносу (также в масштабе = 1:1) отражённые рисунки трассировок обеих сторон печатной платы. Также, (к тихой радости любителей разгадывать ребусы) Вы сможете в открытом виде прочитать ответ к ребусу №1. Архив файла «TsDR_4work» можно скачать здесь:
Вторая часть – большой ребус № 1 ЦДР (см. рисунок 8) - составлен по фразе из книги Дж. Карра «Диагностика и ремонт аппаратуры радиосвязи и радиовещания» [1] и содержит важные рекомендации, полезные при работе с радиоаппаратурой. То, что сообщает ребус №1 ЦДР, полезно знать всем радиолюбителям.
Рисунок 8.
Полный ответ к ребусу:
По полному ответу к ребусу несложно выделить ответ и заодно можно проследить почему так, а не иначе читаются рисунки, составляющие ребус. Однако, большое пожелание - не заглядывать сразу в ответ, а попытаться разгадать ребус самостоятельно.
Три варианта фальшпанелей для ЦДР можно посмотреть на рисунках 8а, 8б, 8В.
Если у Вас есть желание посмотреть на поделку при демонстрации её внешнего вида, то откройте видео «ЦДР» (22 000 кБ):
Расширенное видео «TsDR_JA.D» 40,1 МБ .mp4» длительностью 2 минуты 19 секунд Вы можете посмотреть на Яндекс.Диске, пройдя по ссылке:
Для того, чтобы посмотреть этот же файл на мобильном устройстве вы можете воспользоваться QR - кодом:

А вот, что хотела сказать б ЦДР умница, вечная студентка, непревзойдённый диктор и постоянный обитатель Яндекса, научившийся замечать знаки препинания при чтении текстов, бот Алиса:
Некоторые особенности изготовления ЦДР
Запись в ЦДР информационных сообщений производится с помощью электретного микрофона, который по размерам так мал, что его не удобно держать в руке. Поэтому рассмотрим, как для электретного микрофона можно изготовить простой корпус.
Рисунок 9.
Во-первых, из хозяйственной губки ножницами отрезаем полоску поролона толщиной 2-3 мм (см. рисунок 9). Из получившейся полоски отрезаем квадрат 10 х 10 х 3 мм. Этот кусочек поролона служит для улучшения качества записываемого сигнала. Он приглушает взрывные согласные и устраняет «бухание», уменьшает паразитное воздействие воздушных масс, которые обычно преобразуются электретным микрофоном в искажения.
Затем ножницами по металлу вырезаем из декоративного тиснёного пластика заготовку (21х27 мм) для декоративной решётки.
Рисунок 10.
В чёрной заготовке из пластика в произвольной форме намечаем штангенциркулем и сверлим 9 отверстий диаметром 1,5 … 2 мм и 2 отверстия диаметром 2,6 … 2,7 мм по винты М2,5 х 6 мм (см в правом нижнем углу рисунка 10). В качестве корпуса для BM1 используем израсходованный флуорисцентный текст-маркер.
Рисунок 11.
В маркере сверлим 1 отверстие диаметром 6-8 мм и растачиваем это отверстие до 12 – 14 мм так, чтобы внутрь маркера свободно входил BM1. Два отверстия сверлятся диаметром 2,1 … 2,2 мм и в них нарезается резьба под винты М2,5.
Рисунок 12.
К микрофону BM1 припаиваем монтажный лепесток и экранированный кабель. Лепесток припаивается к общему проводу («минус») и служит в качестве крепления микрофона к корпусу маркера.
Рисунок 13.
Осторожно вытягиваем экранированный кабель из корпуса маркера вправо до установки микрофона в большое отверстие. Накладываем на микрофон заготовленный кусочек поролона и двумя винтами прикручиваем декоративную решётку к маркеру. Для того, чтобы экранированный кабель случайно не был выдернут из маркера, на кабель внутри маркера предварительно намотан ограничитель из 5 … 7 слоёв изоленты.
Рисунок 14.
Внешний вид готового микрофона в корпусе маркера с противоположной стороны, изображён на рисунке 14.
Рисунок 15.
Корпус для микрофона, изготовленный из текст-маркера выгодно отличается тем, что на верхнем колпачке маркера имеется крепёжный зажим для установки маркера в карман пиджака или на другой листовой поверхности.
Рисунок 16.
Снимающийся с маркера колпачок, следует приклеить эпоксидной смолой или любым клеем для склеивания пластмассы.

Рисунок 17.
Вид сверху на двухстороннюю ПП, установленную в корпусе ЦДР показан на рисунке 17.
Рисунок 18.
Вид на монтаж ЦДР сверху показан на рисунке 18. Авторский вариант ЦДР был неоднократно модернизирован и снабжён дополнительными функциями. Поэтому в корпусе ЦДР присутствуют дополнительные радиоэлектронные компоненты, не отражённые в схеме электрической принципиальной, приведённой на рисунке 1.
Рисунок 19.
Внешний вид ЦДР с микрофоном показан на рисунке 19. Металлический штекер на кабеле микрофона пришлось заменить «пластмассовым» для лучшего «согласования» с гнездовой частью разъёма.
Рисунок 20.
ЦДР. Вид сзади. В верхней части задней стенки корпуса проделаны 5 вентиляционных отверстий диаметром 5 мм. Приток воздуха снизу осуществляется через три отверстия в передней стенке корпуса, закамуфлированных декоративной металлической решёткой и акустически прозрачной тканью.
Примечания:
1). Применённый автором экземпляр микросхемы ISD1416 имел при указанных на рис.1 номиналах 18 (а не 16) секунд записи – воспроизведения.
2). В статье ЦДР использованы загадки ЗРТ № 261, ЗРТ2 №10 и ребус ТнР№3.
Источники информации:
1. Дж. Карр "Диагностика и ремонт аппаратуры радиосвязи и радиовещания". Москва, "Мир" 1991, с.82.
2. «Радио» 1989, №11, С.68. Ответы на «??»: «Радио» 1990, № 6, С.93.
3. Дополнительно о микросхеме ISD1416 можно прочитать, например, на электронном портале «Kazus.ru» в статье «Звуковая записка на микросхеме ISD1416 (ISD1420)», нажав на ссылку:



























