Ничего не найдено :(
    В гостях у Самоделкина! » Электроника » Я придумал надежный, простой Н-мост

    Я придумал надежный, простой Н-мост


    Продолжая тему «Индивидуальное средство передвижения, переделка старого проекта», мне пришлось поднять старую тему, так как братья китайцы, как всегда завысили параметры своих предложений и у меня драйвер электродвигателя сгорел.

    Не буду умничать и расскажу вам о том, как я собрал очень простой Н-мост из обычных радиодеталей. Если кто не знает, Н-мост, это приспособление, которое управляет вращением электродвигателя в одну сторону, или в другую, управляющим сигналом.

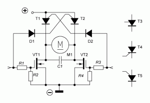
    Идея пришла в мою голову как то само собой. Просто я заменил полевые транзисторы верхнего плеча, структуры: р-канал, на тиристоры. Сборка стала простой, надежной и дешевой. Когда управляющий сигнал, он у меня 7-11В, поступает на вход, у меня сразу полностью открывается пара транзистор, тиристор, что исключает их разогрев.

    Сам тиристор, когда включился, не отключается, даже при отсутствии управляющего сигнала. Даже полевой транзистор не разорвет цепь питания. Тиристор будет подпитывать затвор транзистора. Исправит это обыкновенный диод, припаянный к управляющей ножки тиристора.

    Мне понадобилось:
    2 сопротивления 100 Ом,
    2 сопротивления 10 кОм,
    2 полевых транзистора irf 740, 10 А, 400 В,
    2 тиристора КУ 202Н, 10 А, 400 В,
    алюминиевая пластина
    два диода
    Я придумал надежный, простой Н-мост




    Сборка
    Все детали для демонстрации работоспособности сборки, я нашел, не выходя из дома. Одни были новые, другие бывшие в употреблении.
    Алюминиевую пластину взял, какая была, просверлил отверстия под транзисторы и тиристоры, припаял сопротивления.

    Пластина, она же положительный контакт, к ней гайками прикрутил тиристоры. На управляющие ножки тиристоров припаял диоды. Через диэлектрик и пластиковые чашки шурупами притянул полевые транзисторы. Затворы соединил с диодами, сюда и буду подавать управляющий сигнал. Выход с тиристора соединил с истоком транзистора. Все согласно, приложенной схемы. На этом сборка закончена. Можно подключить к контактам «А» и «В» ARDUINO, через кремниевые транзисторы «P-N-P».





    Демонстрация
    Сначала к выходу Н-моста я подключил вольтметр. Можно видеть, как меняется полярность на выходе, когда подаю сигнал на точки «А» и «В». Затем подключил слабенький электромотор, на шестерне я нарисовал синею точку. Видно как меняется направление вращения шестерни. Ну и в конце взял электромотор с редуктором от дрели, 15 В, 1,2 А. Все прекрасно работает. Главное не перегружать допустимые параметры. Данная сборка рассчитана до 10 А. При запуске электродвигателя происходит скачек по Амперам в два, или в три раза. Это вы можете видеть на видео. При более серьезных нагрузках, полевые транзисторы и тиристоры можно собрать в сборки, или подобрать более мощные.






    Планы
    Я не, спроста, изобретал Н-мост, хотя изобретал, может громко сказано, может, кто то встречал подобное, но я старался. Мой проект остановился, когда сгорел китайский драйвер двигателя BTS7960 43А. Параметры парни явно завысили, да и ограничение в 24 вольта, меня не устраивало. Вот и пришлось голову ломать.
    Незаконченный проект можно посмотреть




    и на фото







    Теперь вам не нужно будет нести деньги хитрым и жадным торговцам. Вы сами сможете делать мощные Н-мосты, с увеличенным вольтажом.
    Не нужно благодарить -)))
    Становитесь автором сайта, публикуйте собственные статьи, описания самоделок с оплатой за текст. Подробнее здесь.

    Гитарная педаль-компрессор Dyna Comp

    Универсальный выходной трансформатор лампового УМЗЧ

    9.5
    Идея
    • 1
    • 2
    • 3
    • 4
    • 5
    • 6
    • 7
    • 8
    • 9
    • 10
    9.3
    Описание
    • 1
    • 2
    • 3
    • 4
    • 5
    • 6
    • 7
    • 8
    • 9
    • 10
    9.5
    Исполнение
    • 1
    • 2
    • 3
    • 4
    • 5
    • 6
    • 7
    • 8
    • 9
    • 10
    Итоговая оценка: 9.46 из 10 (голосов: 26 / История оценок)

    Добавить комментарий

    63 комментария
    sergeyp #67048
    Цитата: yzhik
    Релюшки хватит. Одной!" - лучше уж рубильник.


       Но тебе-то для транспортного средства (монопод, как я понимаю) нужен именно реверсивный драйвер - для правильной работы системы стабилизации? Рубильник тут не прокатит... )))

    sergeyp #67047
    Цитата: gadkiyy-gnom
    К энтому мосту присобачить отдельный ШИМ...

       На каждом спаде ШИМ тиристор вынужден будет отключаться, а на подъёме включаться вновь - будут большие динамические потери.. (частота ШИМ обычно около 20 кГц, что для тиристора очень плохо)...)))

       А вот к последнему мосту ничего не надо присобачивать, у него есть все ф-ии, и он-таки собран на одинаковых н-канальных транзисторах, а драйверы продают по 100 р. за десяток... :)))


    ino53 #67046
    Цитата: yzhik
    лучше уж рубильник.

    Тумблер. На 3 положения. pardon 


    Korolev #67045
    ino53,
    Где то наш Королев пропал...

    Тут два момента. Во-первых, я в отпуске, "отдыхаю" от зари до полуночи, до полного изнеможения! Начал с балкона, и понеслось! А во-вторых, тут ещё и фигня какая-то с Виндой, перестала видеть все USB-девайсы, кроме мышки, а в доме из полутора десятков клав ни одной РС/2, все только USB! Бежать в магазин некогда, срочно "отдыхать" надо! Подкинул другой винт, начал писать коммент про вейпы и вдруг нате вам: "Проверка не пройдена, вход на сайт не осуществлён"! И всё! Ни с других винтов, ни с ноутов, ни с планшета - никак! Исключительно в режиме "чукча - читатель"! Сегодня, в процессе перемещения мебели, попался старенький переходничок USB-клава - РС/2, закончу "отдыхать", займусь Виндой. smile 

    yzhik #67043 Автор
    ino53,


    "А зачем тогда мост, релюшки хватит. Одной!" - лучше уж рубильник. ok

    gadkiyy-gnom #67042
    Ник Старкин,


    полевики можно взять irfz48n и не один, а тиристор ... как-то подключал двигун трех киловатный от электрокары через тиристор Т171-320, на холостом ходу он даже не нагрелся. Вчера в радио лавке их видел, цена кусается, 1700 руб шт    dance 

    ino53 #67041
    Цитата: gadkiyy-gnom
    А если к энтому мосту присобачить отдельный  (ШИМ-регулятор) ? 

    А зачем тогда мост, релюшки хватит. Одной! yes    

    Ой, что это я, вопрос то не мне... pardon 

    Немного, конечно, не то...лавный пуск и регулировка оборотов электродвигателя с помощью таймера NE555

    gadkiyy-gnom #67040
    sergeyp,


    А если к энтому мосту присобачить отдельный  (ШИМ-регулятор) ? 

    то вроде и газовать можно. friends 

    ino53 #66997
    Цитата: sergeyp
    Ну, вот как раз по ссылке-то всё подробно и разъяснено: )))

    Аж совесть проснулась - все дали лентяю, разжевали и в рот ложечкой положили... sorry 


    sergeyp #66995
    Цитата: ino53
    Лень по ссылке идти - что за переключатель режимов?


       Ну, вот как раз по ссылке-то всё подробно и разъяснено: )))

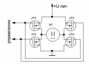
    Н-мост может работать в двух режимах:

    1.                Во время остановки двигателя транзисторы VT1 и VT3 закрыты, транзисторы VT2 и VT4 открыты. На концах обмоток якоря двигателя постоянного тока присутствует потенциал земли. При вращении вала двигателя по часовой стрелке транзисторы VT2 и VT3 закрыты, VT4 открыт, VT1 открывается в соответствии с ШИМ сигналом. При вращении вала двигателя против часовой стрелки транзисторы VT1 и VT4 закрыты, VT2 открыт, VT3 открывается в соответствии с ШИМ сигналом. Индуктивные токи, возникающие при отключении ШИМ-сигнала на транзисторах VT1 и VT3 “сбрасываются на землю” через транзисторы VT2 и VT4, что приводит к их повышенному нагреву. Поскольку во время остановки концы обмоток якоря замкнуты на общий провод (землю), торможение двигателя происходит достаточно быстро.

    2.                Во время остановки двигателя все транзисторы закрыты. На концах обмоток якоря двигателя постоянного тока присутствуют одинаковые потенциалы, примерно равные половине напряжения питания силовой части. При вращении вала двигателя по часовой стрелке транзисторы VT2 и VT3 закрыты, VT1 открывается в соответствии с ШИМ сигналом, VT4 открывается в соответствии с инвертированным ШИМ-сигналом. При вращении вала двигателя по часовой стрелке транзисторы VT1 и VT4 закрыты, VT3 открывается в соответствии с ШИМ сигналом, VT2 открывается в соответствии с инвертированным ШИМ-сигналом. Индуктивные токи, возникающие при отключении ШИМ-сигнала на транзисторах VT1 и VT3 сбрасываются через шунтирующие диоды на транзисторах.

    Режим работы H-моста задается с помощью ключа К1. Оптимальный режим работы зависит от частоты ШИМ-сигнала, характера нагружения привода и используемых транзисторов.



    ino53 #66992
    Цитата: Ник Старкин
    Хотелось бы понять, в чём преимущество данного варианта. Только в установке "дубовых" КУ202?
    Не такие уж они и дубовые, перегрузочек тоже не любят. Хуже другое - ток управления большой, вроде за 0.1 А, и падение напр. на 4хслойной структуре большое, так что нагрев будет жуткий (со времен ЦМУ помню), радиатор хороший нужен. pardon А вообще то этот вопрос к автору...
    Цитата: sergeyp
     А если по-взрослому, то вот:

    Ну, вот тут посмотришь - душа радуется! smile Лень по ссылке идти - что за переключатель режимов? dontknow 

    Где то наш Королев пропал... smiles 


    sergeyp #66991
    Цитата: Ник Старкин

    Хотелось бы понять, в чём преимущество данного варианта. Только в установке "дубовых" КУ202? Так и исходный вариант, скорее всего, накрылся не из-за самого принципа схемы, а из-за того, что были запаяны кетайские имитаторы настоящих полевиков.


       Автор хотел упростить, но просто- в данном случае враг хорошего...

       У нас почти всё кетайское, надо знать меру и не превышать половины заявленной мощности... , что без специальной схемы защиты сделать нереально для тягового двигателя... :)))

    sergeyp #66989
    Цитата: ino53
    Транзисторы не вверх ногами? Ну, обвязка, защита и т.д.


       Ну, это так и было... в инете :)))

       А если по-взрослому, то вот:  НАУКА им. Баумана:)))

    Ник Старкин #66988

    Хотелось бы понять, в чём преимущество данного варианта. Только в установке "дубовых" КУ202? Так и исходный вариант, скорее всего, накрылся не из-за самого принципа схемы, а из-за того, что были запаяны кетайские имитаторы настоящих полевиков.

    gadkiyy-gnom #66986
    Валерий,

    Не, надо автора просто подтянуть,а не прикалываться, а направить в правильное русло  clapping 

    ino53 #66981
    Цитата: sergeyp
    Ну, так-то можно и на одинаковых мосфетах мост собрать: )))

    Транзисторы не вверх ногами? Ну, обвязка, защита и т.д. - подразумевается... smile 


    ino53 #66980
    Цитата: gadkiyy-gnom
    ...ЕЖ, судя по его статьям, технарь, а не электронщик, потому и схемы рисует, как понимает.
    Да кто ж против, только хотелось бы, что бы и другие тоже понимали... pardon
    Цитата: gadkiyy-gnom
    А схему он изменил, проверил, рабочая. Молодец!    
    Не спорю... pardon А сразу никак нельзя было? 
    Цитата: sergeyp
    Мост работать конечно будет, ну как работать... переключать вперёд-стоп-назад но о динамике (ШИМ-регулирование) придётся забыть: это как собрать реверс на двух реле - реверс будет, а ШИМ-нет... :)))

    Это было написано (не мною) после появления исправленной схемы в посте  ino53  Вчера, 21:45 yes 




    Валерий #66979
    gadkiyy-gnom,


    Т.е, он "сделал правильно, а нарисовал неправильно"? 

    А народ, то, воспринял, что он "нарисовал.... врёт, что якобы сделал.... и врёт, что оно работает".)))) Потому как...ну не могёт оно так работать!!!  (Народ то ведь, знает, что делают после того, как нарисуют)))))Значит, или не делал, или не работает...

    П.С.... Я чо?... Я мимо проходил просто... Слышу - шумят....

    Але нови ностра алис!
    gadkiyy-gnom #66978

    Я думаю, есть теоретики, думают - рисуют, есть электронщики, рисуют - паяют, есть технари, думают - железом гремят, и. т. д. Вот ЕЖ, судя по его статьям, технарь, а не электронщик, потому и схемы рисует, как понимает. А схему он изменил, проверил, рабочая. Молодец!   goodgood 

    sergeyp #66966
    yzhik,


    Ну, так-то можно и на одинаковых мосфетах мост собрать: )))

    sergeyp #66961
    Цитата: ino53
    СМА - это


       --Стиральная Машина Автомат.. С коллекторными двигателями именно такая схема... ну и просто реверса для коллекторных... )))

    ino53 #66960
    sergeyp, СМА - это что? dontknow 



    sergeyp #66958
    Цитата: ino53
    хитрая схема - ну нет в ней запретных комбинаций


       Такая схема во всех (почти) СМА собрана, а ШИМ (или СИФУ) на симисторе - отдельно...))) + быстрое торможение... )))

    ino53 #66956
    Цитата: sergeyp
    ...собрать реверс на двух реле - реверс будет...

    Какая хитрая схема - ну нет в ней запретных комбинаций включения реле, не надо, как в реверсивных пускателях, взаимоблокировку включения по катушкам делать! smile


    sergeyp #66955
    Цитата: ino53
    А если выскочат единички на обоих входах?


       Великолепное КЗ.... ))) КУ202 обычно УГО как Т4.. )))

    sergeyp #66954
    Цитата: yzhik
    нарисовал  впопыхах тиристор общим видом, резьбой к плюсу.


       Ну, так он резьбой к плюсу и подключается... вопрос в том что на УГО резьба не там... Мост работать конечно будет, ну как работать... переключать вперёд-стоп-назад но о динамике (ШИМ-регулирование) придётся забыть: это как собрать реверс на двух реле - реверс будет, а ШИМ-нет... :)))

    ino53 #66953
    Цитата: yzhik
    По пробую через администрацию внести исправления,

    Да в комментах можно нарисовать...

    Так, что ли?...

    Кстати, у тиристоров двухсотой серии корпус с резьбой именно к плюсу идут... pardon 

    А если выскочат единички на обоих входах? scratch 


    yzhik #66952 Автор
    ino53,

    А я бы попробовал собрать, а потом поговорил о вечном движке. Ну перепутал схематическое изображение, нарисовал  впопыхах тиристор общим видом, резьбой к плюсу. Но Н-мост рабочий. По пробую через администрацию внести исправления, stop


    ino53 #66950
    Цитата: yzhik
    А таким как ты здесь не место. , или посмотри видео
    Я такие "фантастические" видео -про свободную энергию, вечный двигатель, да и просто студентам на курсовые- снимал не раз... xaxa
    Цитата: gadkiyy-gnom

    Ну нарисовал Ежик тиристор не схематично, а натурально. Он же в тумане- dance2 )))

    Так пусть нарисует нормально, а я соберу и проверю, благо не один десяток лет этим занимаюсь. А пока... pardon 


    Pronin #66949

    Южик, Ino53 прав. То что "изображено" на рисунке нерабочее, увы. Посмотри в Инете как подключается тиристор. И проверяется по стандартной схеме. Может они хитро пробиты. Или ВП  

    Привет, Гость!


    Зарегистрируйтесь

    Или войдите на сайт, если уже зарегистрированы...

    Войти

    Добавьте самоделку

    Добавьте тему

    Онлайн чат

    Последние комментарии

    Все комментарии