Всем привет, хочу рассказать и показать один из вариантов преобразователя для подключения небольшого компьютерного сабвуфера к машине.
Схема, плата и мои мысли будут по ссылке в описании под видео.
Речь идёт именно о преобразователе!!! а не о бюджетном сабике, который показан для примера в моём видео. Мне хватает и такого.
Как выяснилось позже, этот сабик слабоват для машины, но я говорю о преобразователе для сабика, ни что не мешает поставить более мощный сабик и под его рабочее напряжение сделать этот преобразователь!
Многие просто покупают инвертор 12В - 220В и уже от 220В запитывают сабик. Да, это просто но этого варианта есть недостатки, например этот инвертор постоянно подключен к аккумулятору и на холостом ходу(когда магнитола отключена) у него всегда есть собственное потребление. Значит если вы зимой поставили машину в гараже на пару недель из-за морозов или командировки, то АКБ разрядится и завести машину зимой без подзарядки точно не получится. Эту проблему можно решить взяв сигнал включения магнитолы и через обычную реле с контактами на 30 А подавать питания на инвертор при включении магнитолы... Но инвертор стоит денег, а у радиохламера вроде меня всегда есть почти все детали, плюс АлиЭкспресс и свободные зимние вечера для изготовления очередной самоделки....
Я решил собрать преобразователь из однополярного напряжения +12В в двуполярное полюс - минус 20В.
Тем самым это даёт возможность спрятать преобразователь в корпусе сабика.
При вскрытии сабика выяснилось, что сабик всё таки не умер в результате проведённого вскрытия :)
и питается он от двуполряного напряжения плюс-минус 20В.
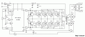
Дальше немного погу-у-глив я нашёл не сложную схему нужного мне преобразователя на TL494, тем более что с работой этого ШИМа я хорошо знаком по переделке компьютерного БП в зарядное для АКБ с защитами.
Поколдовав над схемой я сделал на выходе 18В при входном 11,5. При заведённом двигателе напряжение поднимается до 22В.
Хочу сразу сказать, что для расчёта трансформатора преобразователя обязательно нужно знать ТОЧНУЮ марку и размеры ферритового сердечника! Иначе либо не будет держать нагрузку, либо будет сильно греться! Я всё это в полной мере прочувствовал! Раз ПЯТЬ перематывал транс и подбирал частоту ШИМа для достижения нормального результата! Не ведитесь на заверения ютуберов, что мол взял первый попавшийся сердечник и намотал на него усреднённые значения витков и вуаля... Всё работает.... Хотя может кому-то и повезло...
Подкорректировал печатную плату автора под имеющиеся у меня детали.
И собрал до кучи...
Так это выглядит в корпусе сабика со снятой задней крышкой.
Как выяснилось в процессе эксплуатации именно этот сабик слабоват, но речь идёт о преобразователе и изменив выходное напряжение и мощность легко можно пристроить сабик гораздо мощнее!!!
Работает преобразователь примерно так:
Основное(силовое питание конкретно в моём случае подключается проводом не менее 1 мм. кв.) подаётся на схему через предохранитель FU1. Диод VD1 включен во встречном направлении для защиты от переплюсовки. Если будет подано обратное напряжение, то диод откажется открыт и весь ток потечёт через его переход. Этот ток будет достаточно большой, что вызовет перегорание предохранителя FU1. Цепь разорвётся, преобразователь обесточится и не сгорит.
Далее напряжение фильтруется фильтром C1, L1,C2-C5. Затем поступает на среднюю точку трансформатора Т1, так же через резистор R2 на 12 ногу DA1. При этом на 13 выводе DA1 появится опорное напряжение +5В которое через резисторы R4 и R3 подаётся на 4 ногу DA1 и блокирует работу ШИМа. На 9 и 10 ногах отсутствуют ШИМ сигнал и преобразователь не работает.
Что бы включить работу преобразователя нужно подать напряжение +12В на резистор R14. Это нужно для того, что бы при выключенной магнитоле преобразователь не разряжал АКБ на холостом ходу... За пару недель, пока большие морозы или вы в командировке, АКБ может так изрядно похудеть. Об этом обычно умалчивают ютуберы, расхваливаю свою самоделку...
Сигнал включения берётся от самой магнитолы (сейчас во всех магнитолах есть выход +12 В при включении самой магнитолы для управления усилителем). Так вот это сигнал +12 подаётся на управление включением преобразователя на резистор R14, далее на базу VT7, он открывается и подаём минус через резистор R3 на 4 ногу. Конденсатор при этом плавно разряжается и происходи мягкий старт преобразователя, исключающий ударные нагрузки на силовые элементы. Этот момент тоже многие самоделкины считают лишним, а зря.
На 4 ноге появился минут питания (логический 0) и микросхема стартанула. Частота ШИМа задаётся резистором R1 и конденсатором C8. Чем больше их номиналы, тем меньше частота ШИМа. Рассчитывается это в программе СТАРИЧКА51. Я лично предпочёл частоту не больше 36 кГц. и это моё личное мнение и я его ни кому не навязываю!
ШИМ заработал и на его 9 и 10 ногах появились ШИМ сигналы с максимальным заполнением, в этой схеме нет стабилизации выходного напряжения. Далее ШИМ сигнал поступают через резисторы R5, R6 на простенькие драйвера собранные на R7,R8. VD1,VD2. VT1,VT2, которые быстро разряжают затворы транзиторовVT3,VT5 (в моём случае) при закрытии транзисторов. Эти транзисторы открываются и коммутируют переменный высокочастотный ток в первичной обмотке Т1.
Далее со вторичной обмотки переменное напряжение выпрямляется быстрыми диодами VD4-VD7 и фильтруется фильтром C12,C13. L1,L2. C14-C23.
На выходе получаем постоянное двухполярное напряжение плюс-минус 20 В при среднем входном 13,5В. Это зависит от намоточных данных транса и частоты ШИМа.
Подключаем к сабику и слушаем музыку...
Настройка: Это процесс для новичков может быть немного сложен, я тоже в первый раз столкнулся с определёнными сложностями....
Основной критерий это выбор частоты и намоточные данные трансформатора. Я предпочитаю в таких не сложных схемах небольшую частоту преобразования, не больше 36 кГц. В этом случае выходным полевикам с бюджетным драйвером гораздо легче открываться и закрываться с минимально пологими фронтами. Чем больше частота, тем более пологие фронты ШИМ будут на затворах и тем сильнее начнут греться транзюки. Это при использовании бюджетного драйвера на одном транзюке, из личного опыта!
С частотой определись, дальше нужно обязательно знать реальную марку и проницаемость используемого сердечника!
Следующие изображения приведены в качестве примера расчёта и не могут быть взяты за основу в вашем случае!!! У меня получились совершенно другие значения путём подбора...
Открываем браузер и он-лайн делаем расчёт частоты ШИМа

Дальше открываем программу СТАРИЧКА и рассчитываем транс исходя из частоты(в данном примере 36кГц) и имеющегося в наличии сердечника(в данном случае кольца 200НМ 40х25х11)
Это всё показано только в качестве примера!!!
В моём случае продавец не знал проницаемость сердечника и на самом кольце тоже не было ни какой маркировки! И мне пришлось подбирать намоточные данные!
Если всё правильно, то на холостом ходу(без нагрузки) ни чего не греется, а под максимальной нагрузкой радиаторы греются не больше 70 градусов.
Если нет, то нужно скорректировать расчёты...
Например если греется даже на холостом ходу, то сердечник явно уходит в насыщение и нужно добавить кол-во витков в первичную обмотку и возможно изменить кол-во витков вторичной.
А если не держит нагрузку и сильно проседает выходное напряжение, то скорее всего нужно будет уменьшить кол-во витков первичной обмотки. Это из личного опыта и я ни кому это не навязываю!
Детали:
Резисторы:
R2 15-25 Ом мощностью 0,25 - 0,5 Вт.
R1,R3-R12,R14 Номиналы согласно схемы мощностью 0,125-0,25 Вт, например МЛТ 0,125.
R13 Сопротивление снаббера рассчитывается в программе, например старичка51, мощностью не менее 2 Вт. Например МЛТ 2.
Диоды:
VD1 Любой мощный с током от 10(лучше от 15 Ампер) и обратным напряжением от 40 В. Например можно поставить сдвоенный диод от компьютера 16С40, 20С40, в корпусе ТО-220 или 30С40 в корпусе ТО-247....
VD2-VD3 IN4148 или его аналоги
VD4-VD7 Быстрые диоды КД213А-В, можно и КД2999А. Так же можно любые быстрые диоды с током от 10 Ампер(с запасом) и обратным напряжением не ниже 200 В.
Транзисторы:
VT1-VT2 BC556 или его аналоги.
VT3-VT6 IRFZ44 или иго аналоги с максимальным напряжением Сток-Исток не ниже 50 В и током от 25 А и ёмкостью затвора 1 -1,5 пФ.
Конденсаторы:
С1 Плёночный ёмкостью 1 мкФ напряжением от 50 В, например К73-17.
С2-С5 1000-2200 мкФ электролитические напряжением не ниже 25 В, например К50-35.
С 6 Керамический 100 нФ напряжением от 25 В.
С7,С9 Электролит 22мкФ напряжением не ниже 25 В. Например К50-35.
С10 Емкость конденсатора снаббера рассчитывается в программе, например старичка51 исходя из заданных параметров.
С12,С15 100 нФ керамика напряжением от 50 В.
С16-С23 Электролиты 1000 мкФ напряжением не ниже 35 В. Например К50-35.
Микросхема:
DA1 TL494 или его полный аналог, например КА7500.
Дроссели:
L1-L3 Не заморачивался с расчётами, взял готовые от компьютерного блока питания. В моём случае подошли, но это не означает что и в вашем случае подойду тоже. У меня частота моего преобразователя была близкой к частоте комп БП, с которого я взял дросселя....
Трансформатор:
Т1 В моём случае я мотал его на неизвестном мне кольце размером 40х25х11 и отхватил не мало секса с подбором намоточных данных.
В вашем случае нужно знать проницаемость и марку сердечника, так же частоту работы ШИМа и номинальный ток нагрузки. Открываете программу старичка51, вносите все данные и получаете расчёт обмоток транса.
Предохранитель:
FU1 на ток 10-15 Ампер. Я купил выносной автомобильный с кейсом. Можно купить на авторынке или в автомагазине.

В общих чертах как-то так получилось..... Этот преобразователь тягает мой бюджетный сабик в машине с лета 2018 года....








