Доброго всем времени суток, сегодня сделаем отладочную плату для роботы с ФЭУ и различными датчиками.
Development board FEU ver0.1 представляет из себя два блока:
Первый, представляет из себя амплитудный дискриминатор с регулировкой смещению по напряжению.
Второй, обычный не инвертирующий усилитель с регулировкой такового усиление.
Применение:
Первый блок предназначен для подключение к Аноду ФЭУ, сам дискриминатор применяют для анализа сигнала, которые реагируют на импульсы, амплитуда которых больше порога дискриминации.
Второй блок предназначен для усиление сигнала без инверсии такового, применяют можно после первого блока для усиление сигнала в исследовательских нуждах. А также усиливать любой сигнал из сенсора, датчика, фотодиода, катушки, конденсатора и иного элемента.
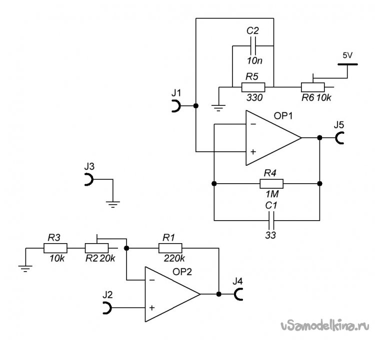
Схема:
Первый блок состоит на основе элемента ОУ ОР1, элементы как резистор R4 на 1МОм и керамический конденсатор C1 на 33пФ отвечают за дискриминацию сигнала этого блока, включены к инвертирующему входу и выходу операционного усилителя. Конденсатор C2 на 10нФ предназначен заглушить различные помехи в частности тепловые. Также есть регулировка смещение напряжение для дискриминации, которое подключено к не инвертирующему входу операционного усилителя, создано на основе резистора R5 на 330Ом и подстроечного резистора R6 на 10кОм которые из себя представляют делитель напряжение подключен к источнику 5В.
Второй блок состоит на основе элемента ОР2, состоит из делителя напряжение резистора R1 на 220кОм и подстроечного резистора R2 на 20кОм, который так же имеет ещё один резистор R3 на 10кОм для ограничение значение тока и напряжение делителя, который подключён к инвертирующему входу и выходу операционного усилителя.
Спасибо всем за внимание!!









                    
                    