Всем ребятам и девчатам конечно, пламенный привет! Тема моей самоделки, уверен, заинтересует многих. Дело в том, что придуманную мной схему усилителя мощности, можно использовать не только для ЭМИ- электронного музыкального инструмента. Но об этом мы пообщаемся позже, если кто заинтересуется.
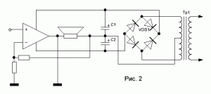
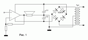
При разработке схемы, мне необходимо было учитывать все негативные моменты в конструкции. Первое и думаю одно из главных, это использование импульсных источников питания. Они очень здорово выдают высокочастотные помехи, которые в свою очередь, модулируя рабочий сигнал, искажают весь спектр воспроизводимых частот. Но, от импульсных блоков питания, я отказываться не собираюсь. Они более экономичны, меньше занимают места и мало весят.
Импульсные источники питания, я закрепил на задней стенке ЭМИ, а два усилителя мощности, на металлическом, раскладываемом каркасе. Почему два усилителя? Дело в том, что я принял решение отделить звучание басовой октавы, от четырёх других. То есть, басы идут в одну колонку, а всё остальное в другую колонку. Это позволяет более качественно прослушивать создаваемые мною шедевры.
Одна колонка, басовая, другая <<самоделошная>> из тазика, как-то так.
Качество звучания стало просто великолепным. Но это всё лирика и настала пора переходить к расшифровке данной схемы. Привожу эскиз схемы, за ранее извиняюсь за свою мазню, художник из меня
У кого будут вопросы отвечу, а пока объясню работу одного участка схемы, где я применяю переделанный оптрон - ОЭП-13. Фото резистор, этого оптрона, в освещённом состоянии имеет сопротивление около 200 Ом. Это сопротивление блокирует прохождение помех в усилитель и позволяет слушать тишину в режиме молчания. Как только начинает играть - ЭМИ, отрицательный потенциал запирает транзистор - КТ315Б, излучающий светодиод в оптроне гаснет, сопротивление фото резистора возрастает до нескольких мОм и усилитель работает в обычном режиме, с соотношением сигнал/помеха. Амплитуда сигнала, в моём случае с ЭМИ, довольно таки приличная и с ней помеха просто ничто. С переделкой оптрона, мне пришлось повозиться, но описывать как это делать, я не буду. Покажу только фото процесса.
Нашёл подходящий по размеру светодиод. И вместо лампочки впаял его во внутрь.
Многие скажут, зачем ковыряться с переделкой оптрона, когда есть в продаже готовые подобного типа. Отвечу, флаг вам в руки, дерзайте...
Добавлю ещё и это самое главное, каждый самоделкин, который хочет что-то изготовить, собрать, спаять и т.д., не стесняйтесь спрашивать, вам всегда помогут на этом сайте. Всем привет!









